Chắc chắn rằng, với vai trò là một nhà thầu quảng cáo, một đơn vị phân phối linh kiện LED, bạn luôn phải đối mặt với bài toán cân bằng giữa chi phí, chất lượng và hiệu quả. Bạn đang tìm kiếm một tổng kho bộ điều khiển LED không chỉ cung cấp sản phẩm chính hãng mà còn là một đối tác kỹ thuật am hiểu, có thể đồng hành cùng bạn trong từng dự án? Bạn mong muốn tìm ra một giải pháp mạch điều khiển LED đủ mạnh mẽ để xử lý những màn hình LED độ phân giải cao, đủ linh hoạt để tương thích với nhiều hệ thống, và đủ bền bỉ để hoạt động ổn định trong những điều kiện khắc nghiệt nhất? Hay bạn đang cần sự tư vấn từ những chuyên gia thực thụ để lên cấu hình, lập trình và xử lý sự cố cho các dự án màn hình LED sự kiện, hội trường, quảng cáo ngoài trời phức tạp? Chúng tôi hoàn toàn thấu hiểu những trăn trở đó. Việc lựa chọn sai một bộ điều khiển có thể phá hỏng cả một công trình, gây ra hiện tượng giật, lag, sai màu, và làm suy giảm nghiêm trọng uy tín của bạn với khách hàng. Đó là lý do tại sao, việc sở hữu một "bộ não" điều khiển ưu việt, kết hợp với một dịch vụ hỗ trợ kỹ thuật đáng tin cậy, là chìa khóa vàng dẫn đến thành công. Tại LED Tubione, chúng tôi không chỉ mang đến sản phẩm, chúng tôi cung cấp một giải pháp toàn diện mang tên Card phát Kystar ES2, một thiết bị mạnh mẽ đến từ thương hiệu hàng đầu, đi kèm với cam kết hỗ trợ kỹ thuật chuyên sâu, chính sách báo giá cạnh tranh và sự tận tâm trong từng đơn hàng.
Ảnh 1. Chi tiết thông số kỹ thuật Card phát Kystar ES2 (Mã: AD45611-1)Ảnh 2. Thiết kế mặt trước Card phát Kystar ES2 (Mã: AD45611-2)Ảnh 3. Thiết kế mặt sau của Card phát Kystar ES2 (Mã: AD45611-3)Ảnh 4. Tổng kho phân phối Card phát Kystar ES2 (Mã: AD45611-4)Ảnh 5. Card phát màn hình LED Kystar ES2 chính hãng tại Việt Nam (Mã: AD45611-5)
Giới thiệu sản phẩm và dịch vụ
Card phát Kystar ES2 đóng vai trò là thiết bị trung tâm, là "trái tim" xử lý tín hiệu cho toàn bộ hệ thống màn hình LED chuyên nghiệp. Nhiệm vụ cốt lõi của Card phát màn hình LED Kystar ES2 là tiếp nhận tín hiệu hình ảnh, video chất lượng cao từ các nguồn phát như máy tính, laptop, đầu phát chuyên dụng... và sau đó mã hóa, xử lý và truyền dữ liệu này đến các card thu được gắn trên màn hình.
Để phát huy tối đa sức mạnh, trong các hệ thống điều khiển màn hình LED online chuyên nghiệp, Card phát Kystar ES2 thường được lắp đặt bên trong các bộ xử lý hình ảnh có khe cắm card phát rời. Sự kết hợp hoàn hảo với các bộ xử lý hình ảnh như Kystar U2, LS-VP1000... không chỉ giúp mở rộng khả năng quản lý nhiều nguồn tín hiệu đầu vào mà còn cho phép thực hiện các tác vụ cao cấp như chia nhiều màn hình, PIP/POP, và các hiệu ứng chuyển cảnh mượt mà. Từ đó, tín hiệu được đồng bộ và truyền tải một cách chính xác đến hệ thống các card thu của Kystar hoặc Kommander (ví dụ như G608, G612...), đảm bảo mỗi điểm ảnh trên màn hình LED đều hiển thị nội dung một cách sắc nét, trung thực và không có độ trễ.
LED Tubione tự hào là tổng kho mạch điều khiển cung cấp bảng báo giá tại kho cho sản phẩm Bộ điều khiển LED Card phát Kystar ES2 chính hãng, với chính sách ưu đãi đặc biệt dành riêng cho các Nhà phân phối, Đội thợ thi công và Đại lý trên toàn quốc.
Cam kết dịch vụ vàng từ LED Tubione:
-
Dịch vụ tư vấn cấu hình chuyên sâu: Đội ngũ chuyên gia của chúng tôi sẽ dựa trên kích thước thực tế và yêu cầu của dự án để tư vấn miễn phí cho bạn cấu hình tối ưu nhất, từ số lượng card phát, card thu đến việc lựa chọn bộ xử lý hình ảnh và nguồn cấp phù hợp.
-
Hướng dẫn kỹ thuật tận tình: Chúng tôi cung cấp tài liệu chi tiết và hỗ trợ lập trình, cài đặt màn hình LED miễn phí, giúp bạn tiết kiệm thời gian, tối ưu hóa quy trình thi công.
-
Chính sách giá cạnh tranh: LED Tubione luôn có mức giá sỉ tốt nhất cho thợ quảng cáo và các đối tác lấy số lượng lớn. Đối với các dự án quy mô, chúng tôi sẽ xây dựng một báo giá riêng với mức chiết khấu và hỗ trợ tốt nhất.
-
Hỗ trợ trực tuyến 24/7: Hệ thống hỗ trợ kỹ thuật online của chúng tôi luôn hoạt động để có thể xử lý các vấn đề, khắc phục lỗi phát sinh một cách nhanh chóng, đảm bảo dự án của bạn luôn vận hành suôn sẻ.
-
Chương trình tích điểm ưu đãi: Với mỗi đơn hàng, bạn sẽ được tích điểm. Điểm tích lũy có thể quy đổi thành các ưu đãi, giảm giá hấp dẫn cho các lần mua hàng tiếp theo.
-
Quy trình đặt hàng tinh gọn: Thay vì các quy trình phức tạp, bạn có thể chat trực tiếp với đội ngũ của chúng tôi trên website để được hỗ trợ và xử lý đơn hàng một cách nhanh chóng nhất.
-
Đảm bảo chất lượng xuất xưởng: Mỗi sản phẩm Card phát Kystar ES2 trước khi đến tay bạn đều trải qua quy trình kiểm tra kỹ thuật nghiêm ngặt, được đóng gói cẩn thận trong bao bì chuyên dụng, đảm bảo an toàn tuyệt đối trong quá trình vận chuyển.
Tư vấn thiết kế và báo giá
Bạn có cảm thấy mất thời gian với việc phải liên tục gửi email, gọi điện hay nhắn tin Zalo chỉ để hỏi một báo giá? Bạn muốn có một công cụ giúp bạn nhanh chóng ước tính chi phí vật tư cho một dự án mới để có thể báo giá cho khách hàng một cách kịp thời? Thấu hiểu nhu cầu đó, LED Tubione đã xây dựng một hệ thống báo giá tự động và minh bạch ngay trên website của mình.
Giờ đây, dù bạn là khách hàng mua lẻ hay một đại lý lớn, bạn đều có thể dễ dàng cập nhật đơn giá mới nhất và chính xác nhất cho sản phẩm Card phát Kystar ES2. Quy trình vô cùng đơn giản: chỉ cần truy cập website của siêu thị LED LED Tubione, sử dụng thanh tìm kiếm để tìm sản phẩm, thêm vào giỏ hàng và điều chỉnh số lượng. Hệ thống sẽ ngay lập tức hiển thị tổng chi phí chi tiết cho đơn hàng của bạn.
Phương pháp này không chỉ giúp bạn tiết kiệm thời gian quý báu mà còn đảm bảo sự minh bạch tuyệt đối về giá cả, giúp bạn tự tin hơn trong việc lập kế hoạch tài chính cho dự án của mình.
Hơn thế nữa, nếu bạn có bất kỳ thắc mắc nào về chính sách ưu đãi cho đại lý, các dịch vụ hậu mãi đi kèm, hoặc cần thương lượng về một đơn hàng lớn, đội ngũ kinh doanh của chúng tôi luôn sẵn sàng hỗ trợ bạn thông qua cửa sổ chat trực tuyến tích hợp trên website. Đặc biệt, đối với các bài toán kỹ thuật phức tạp như thiết kế hệ thống điều khiển cho một màn hình LED dị hình, lựa chọn card thu tương thích, hay cần tư vấn về giải pháp trình chiếu cho sân khấu sự kiện, bạn có thể kết nối trực tiếp với các chuyên gia kỹ thuật của chúng tôi. Mọi hoạt động tư vấn thiết kế này đều được LED Tubione cung cấp hoàn toàn miễn phí, với mong muốn trở thành người đồng hành đáng tin cậy trên con đường phát triển của bạn.
Đánh giá sản phẩm Card phát Kystar ES2
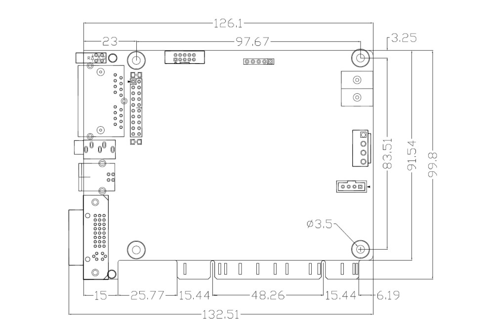
Là một thiết bị cốt lõi, Card phát màn hình LED Kystar ES2 sở hữu những thông số kỹ thuật ấn tượng, được thiết kế để đáp ứng những yêu cầu khắt khe nhất của các ứng dụng trình chiếu chuyên nghiệp. Việc đi sâu vào từng thông số sẽ giúp bạn thấy rõ sức mạnh và sự linh hoạt mà sản phẩm này mang lại.
1.1. Khả năng xử lý và phạm vi điều khiển
Với tổng khả năng quản lý lên đến 1.300.000 điểm ảnh, Card phát Kystar ES2 mang trong mình sức mạnh để điều khiển các màn hình LED có độ phân giải cao. Phạm vi khuyến nghị 1366 × 768 pixels là một độ phân giải phổ biến, phù hợp cho các màn hình trình chiếu trong nhà, phòng họp, hoặc các biển quảng cáo ngoài trời cỡ vừa, đảm bảo hình ảnh sắc nét và chi tiết.
Tuy nhiên, điểm vượt trội của bộ điều khiển LED này nằm ở giới hạn tối đa mà nó có thể đạt được. Khả năng hỗ trợ chiều ngang tối đa lên tới 3840 pixels và chiều cao tối đa 2048 pixels mở ra một không gian sáng tạo không giới hạn. Bạn hoàn toàn có thể cấu hình cho những màn hình siêu dài (ultra-wide) trong các trung tâm thương mại, các màn hình dọc trang trí tại sảnh khách sạn, hoặc các tổ hợp màn hình nghệ thuật có hình dạng đặc biệt. Kết hợp với khả năng hỗ trợ hiển thị Full màu, mọi dải màu, mọi chi tiết đồ họa phức tạp đều được tái hiện một cách sống động, chân thực, mang lại trải nghiệm thị giác ấn tượng.
1.2. Cổng kết nối và phương thức điều khiển
Sản phẩm được trang bị 2 cổng mạng RJ45 cho tín hiệu đầu ra. Thiết kế này cho phép kỹ thuật viên có thể chia tải tín hiệu ra hai luồng riêng biệt, giúp tối ưu hóa việc đi dây và đảm bảo sự ổn định của tín hiệu trên các màn hình kích thước lớn. Việc chia tải cũng giúp giảm thiểu nguy cơ mất tín hiệu trên diện rộng nếu một trong hai đường truyền gặp sự cố.
Tín hiệu đầu vào được nhận qua cổng DVI, một chuẩn kết nối kỹ thuật số chất lượng cao, đảm bảo tín hiệu video từ nguồn phát được truyền đến card một cách nguyên vẹn, không bị nhiễu hay suy hao. Một tính năng đặc biệt hữu ích là sự tích hợp của cổng âm thanh Audio IN. Điều này cho phép Card phát Kystar ES2 nhận và đồng bộ tín hiệu âm thanh song song với hình ảnh, sau đó truyền đi cùng nhau trong luồng dữ liệu. Khi kết hợp với hệ thống loa ngoài, bạn có thể trình chiếu các video quảng cáo, các buổi thuyết trình hay các sự kiện trực tiếp với âm thanh và hình ảnh khớp nhau một cách hoàn hảo.
Việc cấu hình và cài đặt thông số ban đầu cho card được thực hiện dễ dàng thông qua cổng USB-B, cho phép kết nối trực tiếp với máy tính để sử dụng phần mềm chuyên dụng.
1.3. Chế độ hoạt động và tính năng nổi bật
Card phát Kystar ES2 được thiết kế để hoạt động ở chế độ Online, nghĩa là nó sẽ trình chiếu trực tiếp, theo thời gian thực những gì đang hiển thị trên nguồn phát (máy tính, camera...). Đây là chế độ hoạt động không thể thiếu cho các ứng dụng đòi hỏi sự tức thời và linh hoạt như:
-
Sự kiện, sân khấu: Chiếu live camera, chạy visual (VJ), trình chiếu nội dung theo kịch bản chương trình.
-
Hội nghị, phòng họp: Hiển thị slide thuyết trình, chia sẻ màn hình máy tính, phát video minh họa.
-
Quảng cáo kỹ thuật số (DOOH): Phát các video quảng cáo chất lượng cao, cập nhật nội dung quảng cáo từ xa một cách nhanh chóng.
Khả năng kết hợp với bộ xử lý hình ảnh là một thế mạnh lớn, giúp nó trở thành một mắt xích quan trọng trong một hệ thống điều khiển chuyên nghiệp. Đồng thời, khả năng kết nối nhiều card phát với nhau cho phép quản lý những màn hình LED có kích thước khổng lồ, vượt xa giới hạn 1.3 triệu điểm ảnh của một card đơn, tạo nên những bức tường video ấn tượng.
1.4. Thiết kế vật lý và độ bền
Với kích thước nhỏ gọn 133 × 100 mm và trọng lượng chỉ 360g, Card phát Kystar ES2 không chiếm nhiều không gian, dễ dàng lắp đặt bên trong các tủ điều khiển hoặc các bộ xử lý hình ảnh. Mạch hoạt động với điện áp tiêu chuẩn 5V DC và có công suất tiêu thụ rất thấp, chỉ 5W. Điều này không chỉ giúp tiết kiệm điện năng mà còn giảm thiểu lượng nhiệt sinh ra, góp phần làm tăng tuổi thọ của chính nó và các linh kiện xung quanh.
Độ tin cậy của sản phẩm được khẳng định qua dải nhiệt độ hoạt động rất rộng, từ -20℃ đến +60℃. Thông số này đảm bảo card có thể vận hành ổn định trong nhiều môi trường khác nhau, từ phòng họp có máy lạnh đến các biển quảng cáo ngoài trời phải chịu đựng cái nóng của mùa hè. Các chứng nhận tiêu chuẩn quốc tế như CE và RoHS là minh chứng cho chất lượng sản xuất, độ an toàn điện và cam kết bảo vệ môi trường.
Sản phẩm đi kèm các phụ kiện cần thiết như dây DVI và dây USB-B, giúp bạn có thể triển khai lắp đặt ngay mà không cần tốn thêm chi phí mua sắm. Chính sách bảo hành 12 tháng từ LED Tubione mang lại sự yên tâm tuyệt đối cho sự đầu tư của bạn.
Tổng kho bộ mạch điều khiển LED
LED Tubione đã và đang khẳng định vị thế là một trong những tổng kho mạch điều khiển LED hàng đầu tại Việt Nam, là đối tác tin cậy của hàng ngàn nhà phân phối, đại lý, và các đội thợ chuyên nghiệp trên toàn quốc. Chúng tôi không chỉ cung cấp sản phẩm, chúng tôi mang đến một giải pháp toàn diện, với một kho hàng luôn sẵn sàng đáp ứng mọi quy mô dự án, từ nhỏ lẻ đến các công trình tầm cỡ quốc gia.
Các sản phẩm từ tổng kho LED quảng cáo LED Tubione, đặc biệt là Card phát Kystar ES2, đã chứng tỏ hiệu quả và độ tin cậy qua hàng loạt công trình thực tế, trải dài trên mọi lĩnh vực:
-
Thương mại & Bán lẻ: Màn hình quảng cáo sống động tại Trung tâm thương mại, Siêu thị, Cửa hàng, Shop thời trang; bảng giá điện tử tại Tiệm vàng; menu động tại Nhà hàng, Quán cafe, Quán lẩu nướng, Tiệm trà sữa; và màn hình trình chiếu sản phẩm tại Showroom ô tô, Showroom xe máy, Điện máy.
-
Giải trí & Sự kiện: Các hệ thống màn hình sân khấu quy mô lớn cho Sự kiện, Trung tâm tiệc cưới, Hội nghị, Triển lãm; màn hình trong Rạp chiếu phim, Quán karaoke, Quán bar, Quán game; và các màn hình nghệ thuật tại Sân khấu kịch, Rạp xiếc.
-
Doanh nghiệp & Giáo dục: Màn hình LED trong Phòng họp, Hội trường, Văn phòng công ty; bảng thông tin tại sảnh Toà nhà, Khách sạn, Resort; và các hệ thống hiển thị trong Trường học, Thư viện, Bảo tàng.
-
Công cộng & Y tế: Bảng thông tin điện tử tại Nhà ga, Bến xe; bảng hướng dẫn và hiển thị thông tin tại Bệnh viện, Phòng khám, Ngân hàng, Chi nhánh giao dịch.
-
Công nghiệp & Thể thao: Bảng theo dõi tiến độ sản xuất trong Nhà xưởng; bảng tỷ số điện tử tại Sân golf, Phòng gym.
Một giám đốc dự án của một công ty tổ chức sự kiện lớn chia sẻ: "Đối với chúng tôi, chất lượng hình ảnh và sự ổn định của màn hình sân khấu là yếu tố sống còn. Từ khi chuyển sang sử dụng hệ thống điều khiển của Kystar do tổng kho LED LED Tubione cung cấp, chúng tôi hoàn toàn yên tâm. Hàng hóa luôn có sẵn, hỗ trợ kỹ thuật rất nhanh, kể cả vào cuối tuần."
Một chủ đại lý phân phối linh kiện quảng cáo tại miền Tây cho biết: "Cái hay khi làm việc với LED Tubione là sự minh bạch. Báo giá trên website rất rõ ràng, giúp chúng tôi dễ dàng tính toán và báo lại cho khách. Chính sách cho đại lý rất tốt, chiết khấu cao, giúp chúng tôi cạnh tranh tốt hơn trên thị trường."
Sự hài lòng và thành công của quý đối tác chính là thước đo cho chất lượng dịch vụ mà LED Tubione luôn nỗ lực mang lại, củng cố vị thế là tổng kho mạch điều khiển uy tín và chuyên nghiệp.
Bán và phân phối
Với một hệ thống kho bãi và logistics được tổ chức khoa học, LED Tubione có khả năng cung cấp và phân phối sỉ và lẻ Card phát Kystar ES2 cùng hàng ngàn sản phẩm mạch điều khiển LED khác đến tất cả các tỉnh thành trên lãnh thổ Việt Nam. Chúng tôi cam kết mang sản phẩm đến tận tay các dự án, công ty quảng cáo và đội thợ thi công một cách nhanh chóng và an toàn nhất.
Mạng lưới phân phối của chúng tôi phủ sóng rộng khắp, từ các trung tâm kinh tế lớn đến các tỉnh thành xa xôi: Hồ Chí Minh, Hà Nội, Đà Nẵng, Cần Thơ, Hải Phòng, Huế, Hưng Yên, Quảng Ninh, Bắc Ninh, Đồng Nai, An Giang, Đắk Lắk, Đồng Tháp, Điện Biên, Cao Bằng, Cà Mau, Gia Lai, Hà Tĩnh, Khánh Hòa, Lai Châu, Lào Cai, Lâm Đồng, Lạng Sơn, Nghệ An, Ninh Bình, Phú Thọ, Quảng Ngãi, Quảng Trị, Sơn La, Tây Ninh, Thanh Hóa, Thái Nguyên, Tuyên Quang, Vĩnh Long.
Chúng tôi nhận thấy sự phát triển mạnh mẽ của ngành LED tại các đô thị lớn, đặc biệt là tại các phường, xã mới được thành lập sau quá trình sáp nhập, nơi các hoạt động kinh doanh, dịch vụ đang bùng nổ:
-
Tại Hà Nội: Các đơn hàng thường xuyên được giao đến các phường trung tâm kinh tế mới như Trung Hòa, Dịch Vọng Hậu, Mỹ Đình 1, và các khu vực đang phát triển nhanh chóng như Phương Canh, Tây Mỗ.
-
Tại Thành phố Hồ Chí Minh: Nhu cầu lớn tập trung tại các phường thuộc TP. Thủ Đức như An Khánh, Thủ Thiêm, An Lợi Đông, cùng với các quận trung tâm như phường Bến Nghé, Đa Kao (Quận 1) và các phường có hoạt động kinh doanh sôi động như phường 10, 11 của quận Gò Vấp.
-
Tại Đà Nẵng: Chúng tôi thường xuyên cung cấp vật tư cho các dự án tại các phường ven biển phát triển du lịch như Mỹ An, Phước Mỹ, và các khu đô thị mới như Hòa Xuân, Khuê Trung.
Một chủ xưởng quảng cáo tại Cầu Giấy, Hà Nội, nhận xét: "Đặt hàng ở LED Tubione rất tiện. Cần là có, giao hàng trong ngày. Card phát Kystar ES2 của họ chất lượng đồng đều, chính hãng, lắp cho khách rất yên tâm. Đội ngũ kỹ thuật còn hỗ trợ online rất nhiệt tình khi chúng tôi gặp phải cấu hình khó."
Một đại lý tại Đà Nẵng chia sẻ: "Chúng tôi làm nhiều dự án cho khách sạn, nhà hàng. Nguồn hàng ổn định và đơn giá cạnh tranh từ LED Tubione là một lợi thế lớn. Việc họ có thể cung cấp đồng bộ từ card phát, card thu đến bộ xử lý giúp chúng tôi tiết kiệm rất nhiều thời gian và công sức."
Dù bạn ở bất cứ đâu, LED Tubione luôn sẵn sàng là người bạn đồng hành, cung cấp những giải pháp điều khiển LED tiên tiến nhất, góp phần vào sự thành công của mỗi công trình mà bạn thực hiện.
Để nhận được tư vấn kỹ thuật chi tiết hơn về Card phát Kystar ES2, yêu cầu báo giá cho dự án hoặc tìm hiểu chính sách đại lý, xin vui lòng để lại bình luận và đặt câu hỏi ngay bên dưới. Bạn cũng có thể đăng bài trên diễn đàn LED của website để giao lưu và nhận được sự hỗ trợ từ các chuyên gia và thành viên trong cộng đồng LED của LED Tubione.